Steuerung UVR1611

Steuerung UVR1611 von Technische Alternative Österreich

haus_heizung_uvr1611_kit_01

UVR1611 Entwicklungskit

 

Steuerung für eine Heizungsanlage

Ich habe mich bei meiner kombinierten Holzheizung (Holzvergaser, Solarthermie) für eine voll programmiere Steuerung von TA entschieden. Damit habe ich folgende Vorteile:

  • alle Funktionen sind frei anpassbar 
  • jederzeit Umbau möglich
  • jederzeit Optimierung möglich
  • komplettes Verstehen der Anlage (ist natürlich auch Voraussetzung)
  • alles selbst in der Hand (kein Service notwendig)
  • erweiterbar auch auf heizungsfremde Funktionen (Alarmanlage usw.)

 

Natürlich gibt es auch Nachteile: etwas teuerer und man muss die Programmierung lernen

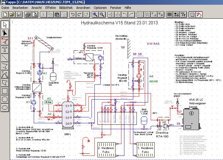
haus_heizung_tapps_01

Software Tapps zum programmieren der UVR1611 (hier Hydraulikplan)

 

UVR1611

Die UVR1611 ist eine frei programmierbare Steuerung. Sie wird über einen Bootloader und Computer programmiert – alternativ wäre das auch am Gerät möglich, aber das ist nicht sinnvoll. Die Software gibt es von der Firma TA dazu und wer die umfangreichen Funktionen nachlesen möchte, kann die Doku bei TA laden. Eine neuere Alternative ist die UVR16x2k inkl. Entwicklungsset EWS16x2.
Die UVR1611 hat 16 Eingänge für Sensoren, sowie 7 Schaltausgänge und 4 drehzahlregelbare Ausgänge. Für die Programmierung gibt es eine praktische Software – TAPPS, welche neben der Programmierung auch den Entwurf des Hydraulikplanes zulässt. Diese Steuerung kommt meinem modularen Aufbau und der zeitversetzten Umsetzung sehr entgegen, denn Sie kann mit den neuen Teilen der Anlage einfach immer wieder umprogrammiert werden. Dazu muss man sich nur in die Software Tapps und die Schnittstellenprogramme einarbeiten. Die Daten werden über einen CAN-Bus (oder alternativ DL-Bus) und einen Bootlader in die Anlage gebracht. Auf diesem Wege lassen sich auch alle Messwerte auslesen. Wer öfter umprogrammieren will, kann ein Entwicklungsset benutzen, welches auch ein Simulationsboard für die Sensoreingänge besitzt. Damit kann man kritische Funktionen vorab prüfen.

 

haus_heizung_uvr1611_01

UVR1611 verkabelt (oben ein Schütz für die E-Heizung)

 

Programmierung

Die UVR1611 ist zur Zeit mit vier Funktionsgruppen programmiert. Das sind die:

Heizungsanforderung (E-Heizung einschalten), falls der Puffer unter eine bestimmte Temperaturschwelle fällt und der Holzvergaser nicht feuert. Zur Heizungsanforderung gehört auch die Freigabe durch die Außentemperatur (einschalten nur unter 20 Grad Außentemperatur) und die zusätzliche Freigabe über eine Netzwerkvariable, welche durch eine SMS gesteuert werden kann (dazu unten mehr).

Heizkreisregelung, welche die Temperaturen anhand der Außentemperatur steuert mit einem ca. 15% Innentemperatur-Anteil. Die Regelung der Rücklaufanhebung erfolgt direkt durch den Holzvergaser. Diese Regelung wird später noch auf die UVR gelegt.

 

haus_heizung_tapps_tom_16_S2

Blockschaltbild der aktuellen Programmierung

 

Bootloader und Access Point

Der Bootloader ist die zentrale Kommunikationsschnittstelle für die Heizungssteuerung. Hier wird die UVR1611 mit dem Computer verbunden. Wer nicht kabelgebunden sein möchte, kann einen Access Point daziwschen schalten und ist dann per WLAN mit dem Bootloader verbunden.

 

haus_heizung_bootlader_02

Bootloader und Access Point

 

Der Access Point erweitert das WLAN, wenn man den Bootlader nicht direkt an seine Netzwerkkiste (z.B. eine FRITZ!Box 7490) anschließen kann. Die Einrichtung des AP ist modellabhänging. Der AP soll im Prinzip nur die Reichweite des vorhanden WLAN erweitern. Man kann dann den Bootlader dort installieren, wo er optimal platziert ist. Der weitere Werdegang ist wie folgt – in meinem Beispiel an einer Fritzbox 7270:

In der Fritzbox muss man den DHCP-Bereich herausfinden. Dazu einfach fritz.box (oder http://192.168.178.1) in den Browser eingeben und unter Heimnetz oder WLAN nachsehen (meist IP-Adresse 192.168.178.xxx). Dort steht auch beschrieben, in welchem Adressbereich der aktivierte DHCP-Server seine Adressen verwaltet. Meist von xxx=20 bis xxx=200.

Nun eine IP-Adresse überhalb des Bereiches für den Bootmanager festlegen, z.B. 192.168.178.222.

Im Programm „Memory Manager“ von TA (downloaden) nun die Ethernet-Einstellungen festlegen (dazu muss der Bootlader beim ersten Mal über eine USB-Verbindung mit dem Computer verbunden und die richtige Schnittstelle des DL-Bus ausgewählt sein (siehe Handbuch). Dann folgende Einstellungen vornehmen:

  • IP.-Adresse: 192.168.178.222
  • Subnet Mask: 255.255.255.0
  • Gateway: 192.168.178.1 (IP-Adresse der Fritzbox)
  • BLD-Nummer: 0 (diese Nummer ist nur von Bedeutung, wenn mehrere Bootloader vorhanden sind, sonst = 0)
  • HTTT-Port: 355 (so lassen)
  • TAPort: 40000 (Vorgabe so lassen)

 

In der Fritzbox 7270 muss noch der Port 355 freigegeben werden:

Dazu muss die Expertenansicht aktiviert werden. Dann eine neue Portfreigabe (Erweiterte Einstellungen/Internet/Freigaben) herstellen:

  • Portfreigabe aktiv für: „andere Anwendung“
  • Bezeichnung: BL (oder anderen Text)
  • Protokol: „TCP“
  • von Port: „80“ bis Port: frei lassen!
  • an Computer: „manuelle Eingabe der IP-Adresse“
  • an IP-Adresse: 192.168.178.222
  • Port: 355

Damit ist die Portfreigabe nach dem Speichern eingerichtet. Im Memory Manager einmal den Test ausführen (IP-Test).Nun kann die USB-Verbindung wieder entfernt werden und der Bootolader ist über das Netzwerk erreichbar.

 

haus_heizung_bootlader_03

Bootloader

 

haus_heizung_gsm_01
GSM-Modul

 

Das GSM-Modul kann im Bootloader eingebaut werden und ermöglicht die Kommunikation über ein Funktelefon. Es können so alle Anlagenwerte abgerufen und auch alle Ausgänge ferngesteuert werden. Das Ganze funtkioniert über SMS-Befehle. Die neuere Version des GSM-Moduls heißt
Control & Monitoring Interface CMI-GSM.

Bootloader und GSM-Modul

Die Einrichtung ist etwas komplexer, deshalb der Reihe nach:

1. Das Modul muss in den Bootloader eingebaut werden. Dafür müssen für die Anschlüsse einige Plastikteile herausgebrochen werden (vorgestanzt). Eine funktionierende Sim-Karte sollte man natürlich auch haben. Die PIN-Abfrage muss deaktiviert sein!

2. In der Programmierung der UVR1611 müssen alle Netzwerkein- und ausgänge, welche später benutzt werden sollen, eingerichtet werden. Für das Auslesen der Sensoren am Pufferspeicher wird z.B. eingegeben (hierbei ist der obere Pufferspeicher z.B. als analoger Eingang 1 definiert, NWK1 ist die UVR1611 und ausgelesen wird über den Ausgang 1):

 

haus_heizung_gsm_netz_01

 

Für einen zu steuernden Ausgang muss ein anderer Netzwerkknoten gewählt werden, nämlich der von dem Bootloader:

 

haus_heizung_gsm_netz_02

 

3. Danach müss über das BL-NET (Aufruf über http://192.168.172.222 bzw. die festgelegte Adresse) das GSM-Modul eingerichtet werden. Zuerst nach Einloggen als Experte das Menü GSM aufrufen und eine Kontakttelefonnummer (das eigene Handy) angeben. Auf die richtige Landesvorwahl (Deutschland +49) achten. Dann anklicken, bei welcher Warnung angerufen werden soll. Ich habe nur angekreuzt, dass ich bei Stromausfall angerufen werde. Das ist die erste Grundeinstellung.

 

haus_heizung_gsm_netz_03

 

4. Nun müssen alle digitalen Ein- und Ausgänge des Netzwerks eingerichtet werden, also alles, was abgerufen oder geschaltet werden soll. Das sind die gleichen Ein- und Ausgänge, welche in Tapps ebenfalls programmiert wurden. Man kann auch hier festlegen, ob das Modul bei bestimmten Werten eine SMS senden soll.

 

haus_heizung_gsm_netz_04

 

Der zu schaltende Ausgang (oder mehrere) wird wie folgt festgelegt. Damit kann man nun per SMS die E-heizung ein- und ausschalten (Befehl z.B.: E-Heizung:ein!). Der gesendete Befehl wird immer qittiert, so das man eine Kontrolle hat.

 

haus_heizung_gsm_netz_05

 

5. Unter dem Punkt Gruppenabfragen kann man dann die die Werte zusammenstellen, die abgefragt werden sollen. Die Abfrage erfolgt dann per SMS an das Modul – das Modul liefert alle Abfragewerte per SMS zurück.

Nach den Einstellungen sollten die Funktionsdaten des Bootloaders auf dem Computer gesichert werden.

 

Tipps

Ein vieradriges Verbindungskabel zwischen Heizraum und Computer einplanen (besser zwei), denn dann kann man den Bootlader am PC stationieren.
Einen Access Point einplanen, denn dann benötigt man keine Kabelverbindung zwischen PC und Bootlader und kann auch überall im Haus über WLAN die Daten abrufen, z.B. auch über das iPhone 😉
Unbedingt selbst programmieren lernen. Bootlader genügt – es muss nicht gleich das Entwicklungskit sein.

Wer das Onlineschema und die dazugehörigen Werte z.B. mit dem TA-Designer (Download TA) in den Bootloader gebracht hat, kann innerhalb seines Netzwerkes mit jedem browserfähigen Gerät seine Anlage abfragen…

 

haus_heizung_iphone_01

Anzeige der aktuellen Heizungsdaten auf dem iPhone

 

Links zu Amazon auf dieser Seite:

UVR1611

UVR16x2k

Sensorpaket GP1UVR1611PT Grundpaket
Sensorpaket 2

Raumsensor RASPT als PT1000, 0°C – 40°C

Entwicklungsset EWS16x2

Access Point

FRITZ!Box 7490

Fritzbox 7270

Control & Monitoring Interface CMI-GSM

 

8 Antworten

  1. Pöll Christian sagt:

    Hallo , hier in dieser Runde! Leider ist meine UVR1611 nach 18 Jahren defekt und muss eine neue kaufen. Der mir das gemacht/Programmiert hat ist leider nicht mehr erreichbar. Gibt es eine Firma oder jemanden der mir das machen kann ? Hab noch alle Pläne von der Heizung bzw. alle Zeichnung von der Steuerung und wo die Fühler angeordnet sind usw. Ich Zahle natürlich ordentlich , sehr gut – wäre sehr froh.
    so vielleicht hab ich hier Glück

    • Heinz Burgstaller sagt:

      Hallo Christian,

      Ist der Regler komplett hinüber oder ist er noch ansprechbar?

      Regler eventuell an TA senden – Reperatur – wenns möglich ist machen die das.

      lg

  2. Martin sagt:

    Hallo

    Programmieren Sie auch eine UVR1611 oder kennen Sie jemanden, der das günstig macht?

    Dank und Grüße

    Martin

    • vesab sagt:

      Hallo Martin, leider nicht. Hab zu wenig Zeit und bin nur unterwegs. Vielleicht liest das hier jemand und kann helfen. Ansonsten mal im Haustechnikforum nachfragen (einfach googeln). cu Tom

  3. Michael Boecksteiner sagt:

    Hallo Tom, ich bin ebenfalls interessiert vorallem die Solarseite ist für mich interessant wie diese gelöst wurde (bin Neueinsteiger mit der UVR)!
    Bitte ebenfalls die TAPP files zukommen lassen.

    Vielen Dank
    Michael

    • vesab sagt:

      Moin Michael, hab dir PDF und die Programmierdateien alle geschickt. Viel Spaß beim nachbauen! Solar ist noch nicht realisiert, kannst aber auf den Plänen sehen. Musst halt selbst programmieren – ist nicht so schwer.
      cu Tom

  4. Markus Sornig sagt:

    Danke einmal für den sehr schön aufbereiteten Artikel.
    Ich bin auch gerade bei der Planung einer neuen Heizung
    und habe mir ein ähnliches Schema vorgestellt.
    Da sie mittlerweile die Heizung ja bereits mehrere Jahre im Betrieb haben, wie zufrieden sind sie mit dieser? Würden sie etwas anderes machen?

    Eine letzte Frage hätte ich dann noch, falls möglich und es nicht unverschämt ist, könnten sie mir das TAPPS Projekt per Mail zukommen lassen?

    LG aus Österreich

    • vesab sagt:

      Hallo Markus, schreib mich per Kontaktformular an. Bin grad unterwegs. Dann vergesse ich das zu Hause nicht. Ich schick dir dann die Datei. Ich würde es wieder so machen nur einen anderen (besseren=teureren) Holzvergaser kaufen. Gruß Tom

Schreibe einen Kommentar

Deine E-Mail-Adresse wird nicht veröffentlicht. Erforderliche Felder sind mit * markiert